视频展示

设备简介

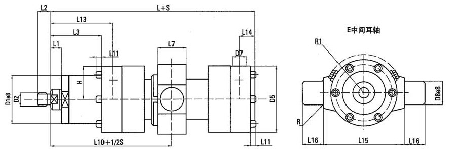
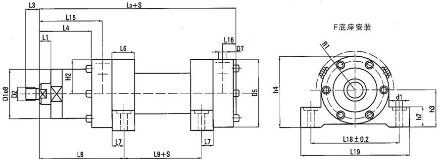
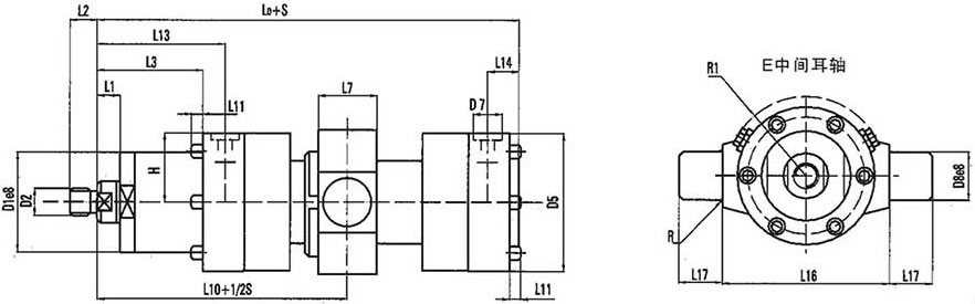
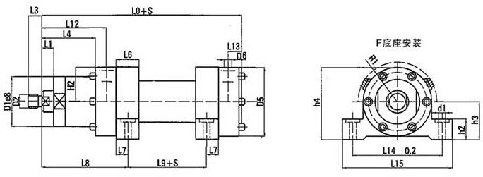
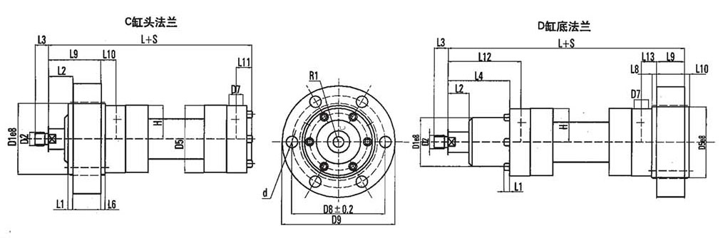
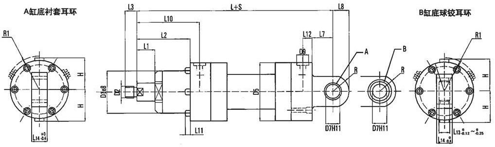
CD250/CG250 CD350/CG350 系列重载液压缸

本系列缸是由14种缸径,分别按四种速比组成28种规格的单活塞双作用差动油缸。另外缸头法兰式、中间耳轴安装式和底座安装式三种还可做成双活塞双作用等速油缸,再加上无端部缓冲和两端部有缓冲(采用可调节流阀)与上述28种规格组成384个品种。

本系列产品其安装型式和尺寸符合德国标准和ISO3320,特别适合于环境恶劣、重载的工作状态下,广泛应用于钢铁、铸造及机械制造等工业部门。

如需特殊定制,请联系我们。

合作案例

合作咨询

联系电话

销售部:0351-7038758/68

销售总监:13703549773

销售经理:13453466584

售前技术支持:0354-3264078

售后服务:0354-3264079

总经理办公室:0354-8595117

国际业务联络处:0351-7038778

联系地址

山西海洋液压有限公司

地址:山西省晋中市榆次区工业园区9号路

邮编:030006

网址:http://oind.cn

电邮:o@oind.cn

联系地址

太原市海世嘉科贸有限公司

地址:山西省太原市高新区长治路227号高新国际大厦

邮编:030006

网址:http://oind.cn

电邮:ocean@oind.cn