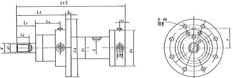
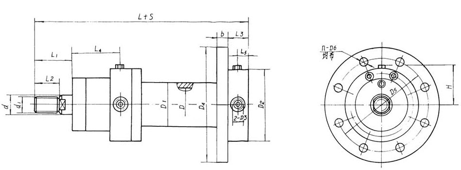
JB2162-91冶金设备用液压缸

视频展示

设备简介

JB2162-91冶金设备用液压缸

JB2162-91液压缸是机械工业部颁布的标准油缸,该标准压缸不仅适用于重型冶金设备,还广泛应用于矿山机械、工程运输、石油化工等行业。

如需特殊定制,请联系我们。

合作案例

合作咨询

联系电话

销售部:0351-7038758/68

销售总监:13703549773

销售经理:13453466584

售前技术支持:0354-3264078

售后服务:0354-3264079

总经理办公室:0354-8595117

国际业务联络处:0351-7038778

联系地址

山西海洋液压有限公司

地址:山西省晋中市榆次区工业园区9号路

邮编:030006

网址:http://oind.cn

电邮:o@oind.cn

联系地址

太原市海世嘉科贸有限公司

地址:山西省太原市高新区长治路227号高新国际大厦

邮编:030006

网址:http://oind.cn

电邮:ocean@oind.cn