型号说明

缸头缸筒连接方式

活塞杆端连接方式

缓冲部位

性能参数

注:
1.速比φ:系指活塞有效面积与活塞杆腔有效面积之比。
2.最大行程原则上是φ=1.33时,S=8D(缸径);φ=1.46时,S=10D(缸径);φ=2时,S=12D(缸径)。
3.缸径为Φ63、Φ80、Φ100、Φ125、Φ150、Φ160时,若速比φ≤1.46,缸盖采用卡环连接。
4.用户所需S大于表中规定最大行程时,请与我公司技术部联系协商。
5.铰轴连接的最小行程S按表5、6、7、8选定。
6.带▲者速比为1.7。
订货须知
用户根据需要,可对照“型号说明”写出连接方式编号(即“型号说明”中最后4位数字)。然后按活 塞杆端的连接方式查阅图一至图四,确定需要的结构方式。按结构方式、缸径、速比行程查阅表5至表 8,确定外形安装连接尺寸。
订货时写出完整的型号及行程和安装距:

注:用户所需安装距若与表5至表8中的L
1+S至L
4+S或L
21 至L
24 相同时,订货时可不写出安装距,不相同时则必须出写安装距。但所需要安装距只能大于或等于L
1+S至L
4+S或L
21至L
24 。用户所选L
31 , 至L
38之尺寸,应在表5至表8中规定的范围内。
对液压缸的工作介质、适用温度、试验、外表涂漆、包装等有特殊要求的请注明。
某用户需要的液压缸,缸筒为铰轴连接,活塞杆端为外螺纹杆头耳环装关节轴承,缸头端带缓冲,缸径为Φ150,杆径为Φ85,行程为1000,安装距L33为800,其订货用的型号及行程,安装距为:

外形尺寸
活塞杆端为外螺纹连接
耳环连接

铰轴连接

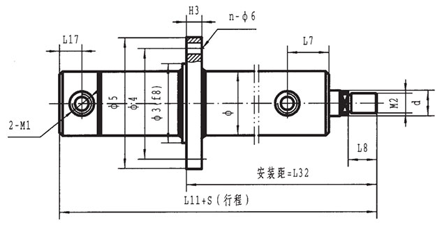
端部法兰连接

中部法兰连接

活塞杆端为外螺纹连接的安装连接尺寸表


注:
1.带▲者仅为速比为φ=2时的连接尺寸;
2.带※者速比为1.7;
3.铰轴连接的行程不行小于表中最小行程S值。
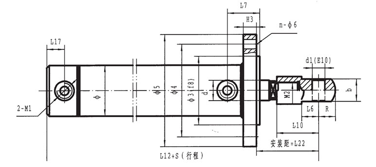
活塞杆端为外螺纹杆头耳环连接
耳环连接

铰轴连接

端部法兰连接

中部法兰连接

活塞杆端为外螺纹杆头耳环连接的安装连接尺寸表


注:
1.带▲者仅为速比为φ=2时的连接尺寸;
2.带※者速比为1.7;
3.铰轴连接的行程不行小于表中最小行程S值。
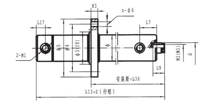
活塞杆端为内螺纹连接
耳环连接

铰轴连接

端部法兰连接

中部法兰连接

活塞杆端为内螺纹连接的安装尺寸表


注:
M2用于速比为1.46和2;M3仅用于速比为1.33。
带▲者仅为速比φ=2时的连接尺寸。
铰轴连接的行程不得小于表中的最小行程S值。
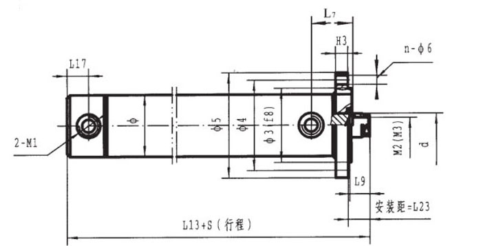
活塞杆端为内螺纹杆头耳环连接
耳环连接

铰轴连接

端部法兰连接

中部法兰连接

活塞杆端为内螺纹杆头耳环连接的安装连接尺寸表


注:
M2用于速比为1.46和2;M3仅用于速比为1.33。
带▲者仅为速比φ=2时的连接尺寸。
铰轴连接的行程不得小于表中的最小行程S值。