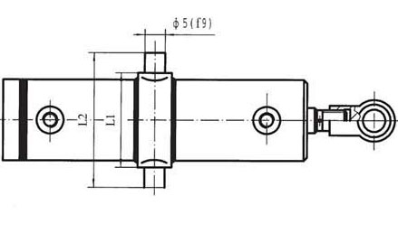
DG型车辆用液压缸是双作用单活塞杆液压缸,是液压系统中任往复运动的执行机械。工作压力为16MPa,缸径40~200mm,行程≤2000mm。
主要要用于车辆、工程机械、起重运输机械、矿山机械及其它机械的液压传动。
如需特殊定制,请联系我们
![]()
![]()
宝钢集团
大连重工
埃赫曼集团(法)
中国国电
晋煤集团
酒钢集团
昆钢集团
沙钢集团
首钢集团
太钢集团
太重集团
中钢集团销售部:0351-7038758/68
销售总监:13703549773
销售经理:13453466584
售前技术支持:0354-3264078
售后服务:0354-3264079
总经理办公室:0354-8595117
国际业务联络处:0351-7038778
山西海洋液压有限公司
地址:山西省晋中市榆次区工业园区9号路
邮编:030006
网址:http://oind.cn
电邮:o@oind.cn
太原市海世嘉科贸有限公司
地址:山西省太原市高新区长治路227号高新国际大厦
邮编:030006
网址:http://oind.cn
电邮:ocean@oind.cn